Din Norm Zur Lage Von Kalt Und Warmwasseranschluss

Okay, mal ehrlich: Wer von uns hat noch *nie* geflucht, weil beim Händewaschen erst eiskaltes und dann brühheißes Wasser aus dem Hahn kam? Ich erinnere mich lebhaft an den Tag, als ich in einer fremden Wohnung duschen wollte und gefühlt eine halbe Ewigkeit brauchte, um herauszufinden, welcher Regler für was zuständig ist. Am Ende war es ein Glücksspiel zwischen Frostbeulen und Verbrennungen ersten Grades. Und da fragte ich mich: Gibt es eigentlich eine Art... Handbuch dafür, wie das richtig sein sollte?
Tja, Spoiler-Alarm: Ja, gibt es! Und sie heisst DIN-Norm zur Lage von Kalt- und Warmwasseranschlüssen. Klingt erstmal mega-trocken, ich weiss. Aber glaub mir, dahinter steckt mehr, als man denkt. Es geht um Komfort, Sicherheit und, ganz ehrlich, auch um ein bisschen Weltfrieden im Badezimmer. (Okay, vielleicht nicht ganz, aber zumindest um weniger Frust beim Duschen.)
Die mysteriöse DIN-Norm: Was steckt dahinter?
Die DIN-Norm (Deutsches Institut für Normung) ist im Grunde eine Art Regelwerk, das festlegt, wie Dinge in Deutschland – und oft auch darüber hinaus – gemacht werden sollen. Von Schraubengrößen bis hin zur Kennzeichnung von Lebensmitteln gibt es für fast alles eine Norm. Und eben auch für die Anordnung von Wasseranschlüssen.
Jetzt fragst du dich vielleicht: Warum braucht man dafür eine Norm? Ganz einfach: Um Verwirrung und Unfälle zu vermeiden. Stell dir vor, jeder Installateur würde die Anschlüsse nach seinem eigenen Gusto anbringen. Chaos pur! Du würdest nie wissen, ob links warm und rechts kalt ist, oder umgekehrt. Und das könnte nicht nur nervig, sondern auch gefährlich sein, besonders für Kinder oder ältere Menschen.
Warm links, kalt rechts? Nicht immer!
Die gute Nachricht: Die meisten von uns kennen die Grundregel: Warmwasser kommt in der Regel von links, Kaltwasser von rechts. Das ist auch die gängige Praxis, die in den meisten Haushalten umgesetzt wird. *ABER* (und jetzt kommt der Haken): Es gibt Ausnahmen und ältere Installationen, bei denen das nicht der Fall ist. Autsch!
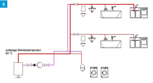
Die DIN 1988-200 (Technische Regeln für Trinkwasser-Installationen (TRWI); Teil 200: Ermittlung der Rohrdurchmesser) beschäftigt sich unter anderem mit der Sanitärinstallation und legt fest, dass die oben genannte Regelung bevorzugt angewendet werden soll. Aber! (Schon wieder!) Sie ist nicht *gesetzlich* vorgeschrieben. Das bedeutet, ein Installateur kann (theoretisch) auch anders installieren. (Ja, ich weiss, frustrierend, nicht?)
Also: Immer erst testen, bevor du dich unter die Dusche stellst! Dein innerer Thermostat wird es dir danken.
Warum ist das wichtig?
Abgesehen von dem bereits erwähnten Komfort und der Vermeidung von Verbrühungen gibt es noch weitere Gründe, warum die Einhaltung der Norm wichtig ist:
- Wartung und Reparatur: Wenn alle Anschlüsse gleich angeordnet sind, ist es für Installateure einfacher, Reparaturen durchzuführen und Fehler zu beheben.
- Sicherheit: Eine klare Kennzeichnung der Anschlüsse hilft, Verwechslungen zu vermeiden, die zu Unfällen führen könnten.
- Wertsteigerung der Immobilie: Eine fachgerecht installierte Sanitäranlage, die den gängigen Normen entspricht, kann den Wert deiner Immobilie erhöhen. (Okay, das ist vielleicht ein bisschen weit hergeholt, aber hey, es klingt gut, oder?)
Was tun, wenn’s anders ist?
Wenn du in einer älteren Wohnung wohnst oder Zweifel an der korrekten Anordnung der Anschlüsse hast, gibt es ein paar Dinge, die du tun kannst:
- Frage den Vermieter oder einen Fachmann: Sie können dir Auskunft darüber geben, wie die Anschlüsse installiert sind.
- Kennzeichne die Anschlüsse: Wenn die Anschlüsse nicht eindeutig gekennzeichnet sind, kannst du sie selbst beschriften (z.B. mit kleinen Aufklebern).
- Sei vorsichtig: Besonders beim Duschen oder Baden solltest du immer vorsichtig sein und das Wasser langsam auf die gewünschte Temperatur einstellen.
Letztendlich ist die DIN-Norm zur Lage von Kalt- und Warmwasseranschlüssen ein kleines, aber feines Detail, das unseren Alltag ein Stückchen angenehmer und sicherer macht. Auch wenn sie nicht immer 100% eingehalten wird, ist es gut zu wissen, dass es eine Art "Best Practice" gibt. Und wenn du das nächste Mal in einer fremden Dusche stehst, denk daran: Erst testen, dann freuen! Und vielleicht hilft ja auch ein kleines Stoßgebet zum Sanitär-Gott.



