Stern Dreieck Schalter Mit Motorschutz 7 5 Kw

Wer hat noch nie ein beeindruckendes Maschinengeräusch gehört und sich gefragt, was dahintersteckt? Für viele von uns ist das Surren eines kraftvollen Motors nicht nur ein Geräusch, sondern ein Zeichen von Produktivität, von Bewegung und von der Kraft, Dinge zu bewegen und zu verändern. Ob in der Werkstatt, der Fabrik oder sogar im eigenen Garten mit einer Kreissäge – Elektromotoren sind überall. Und um diese Motoren effizient und sicher zu betreiben, kommen clevere Schaltungen ins Spiel, wie zum Beispiel die Stern-Dreieck-Schaltung mit Motorschutz für 7,5 kW-Motoren.
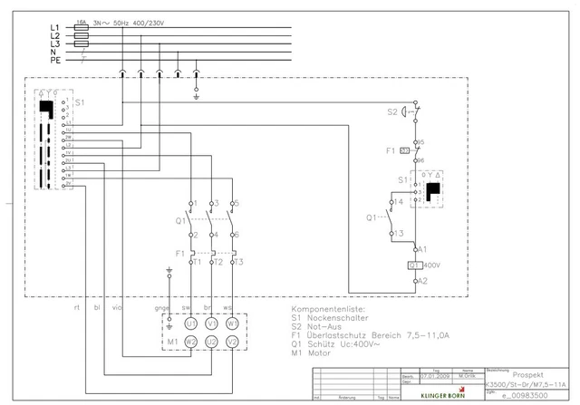
Die Stern-Dreieck-Schaltung ist eine raffinierte Methode, um das Anlaufmoment eines Elektromotors zu reduzieren. Warum ist das wichtig? Nun, beim direkten Einschalten eines Motors fließt ein sehr hoher Anlaufstrom – oft das Fünf- bis Achtfache des Nennstroms. Dieser hohe Strom kann das Stromnetz belasten, Sicherungen auslösen und die Lebensdauer des Motors verkürzen. Die Stern-Dreieck-Schaltung schafft hier Abhilfe. Sie startet den Motor zunächst in einer Sternschaltung, bei der die Spannung pro Wicklung reduziert wird. Dadurch sinkt der Anlaufstrom. Sobald der Motor eine gewisse Drehzahl erreicht hat, wird auf die Dreieckschaltung umgeschaltet, in der der Motor seine volle Leistung entfalten kann. Das Ganze passiert in der Regel automatisch und sanft, ohne spürbare Unterbrechung.
Der Motorschutz, der in dieser Kombination enthalten ist, ist ein weiterer entscheidender Faktor. Er überwacht den Motor auf Überlast, Kurzschlüsse und andere Fehlerzustände. Sollte ein Problem auftreten, schaltet der Motorschutz den Motor sofort ab, um Schäden zu verhindern. Das ist wie eine Lebensversicherung für Ihren Motor, die teure Reparaturen und Ausfallzeiten vermeidet. Ohne einen solchen Schutz wäre das Risiko eines Motorschadens deutlich höher.
Wo finden wir diese Kombination aus Stern-Dreieck-Schaltung und Motorschutz? Die Anwendungen sind vielfältig. Sie kommen beispielsweise bei Pumpen, Ventilatoren, Kompressoren, Förderbändern und vielen anderen industriellen Anlagen zum Einsatz. Alles, was einen größeren Elektromotor benötigt und einen schonenden Anlauf erfordert, profitiert von dieser Technik. Sogar in Holzbearbeitungsmaschinen, wie Kreissägen oder Hobelmaschinen, finden sie Anwendung, wenn diese mit einem entsprechend leistungsstarken Motor ausgestattet sind.
Wie kann man diese Technik effektiver nutzen? Zunächst einmal ist es wichtig, die richtige Dimensionierung der Schaltung und des Motorschutzes sicherzustellen. Ein überdimensionierter Motorschutz schaltet möglicherweise nicht rechtzeitig ab, während ein unterdimensionierter Motorschutz unnötig oft auslösen könnte. Die fachgerechte Installation und regelmäßige Wartung sind ebenfalls entscheidend. Überprüfen Sie die Verbindungen, stellen Sie sicher, dass die Kühlung des Motors gewährleistet ist, und achten Sie auf ungewöhnliche Geräusche oder Vibrationen. Bei komplexen Anlagen empfiehlt es sich, die Wartung von einem qualifizierten Elektriker durchführen zu lassen. Nur so können Sie sicherstellen, dass Ihre Motoren zuverlässig und effizient ihren Dienst verrichten und Ihnen lange Freude bereiten.



